
Marque :
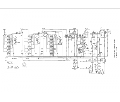
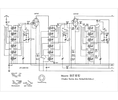
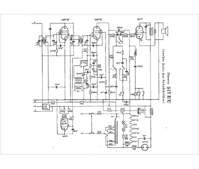
Minerva
Modèle :
517 EU
Type appareil :
récepteur à tubes
Pays d'origine :
Autriche, Italie, Suisse, Allemagne
