
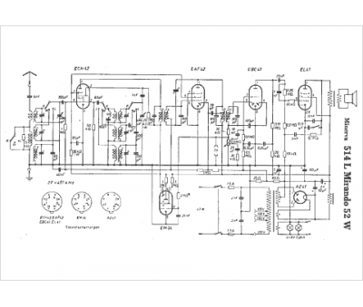
Marque :
Minerva
Modèle :
514 L Mirando 52 W
Type appareil :
récepteur à tubes
Pays d'origine :
Autriche, Italie, Suisse, Allemagne
