
Marque :
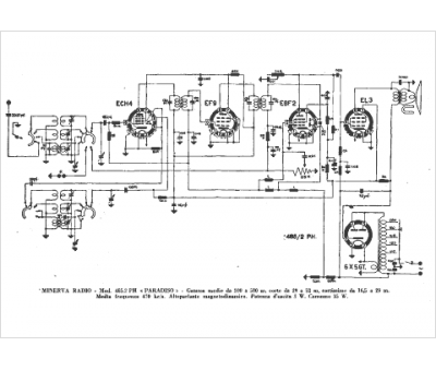
Minerva
Modèle :
485-2 Paradiso
Type appareil :
récepteur à tubes
Pays d'origine :
Autriche, Italie, Suisse, Allemagne
