
Marque :
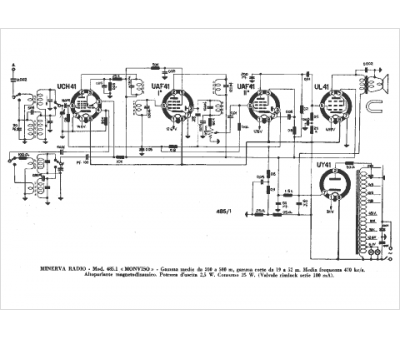
Minerva
Modèle :
485-1 Monviso
Type appareil :
récepteur à tubes
Pays d'origine :
Autriche, Italie, Suisse, Allemagne
