
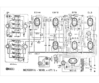
Marque :
Minerva
Modèle :
477-1
Type appareil :
récepteur à tubes
Pays d'origine :
Autriche, Italie, Suisse, Allemagne
