
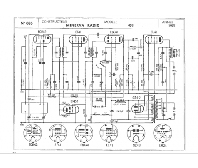
Marque :
Minerva
Modèle :
456
Type appareil :
récepteur à tubes
Année :
1951
Pays d'origine :
Autriche, Italie, Suisse, Allemagne
