
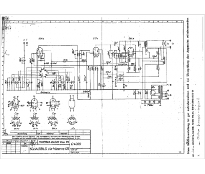
Marque :
Minerva
Modèle :
435
Type appareil :
récepteur à tubes
Année :
1943
Pays d'origine :
Autriche, Italie, Suisse, Allemagne
