
Marque :
Minerva
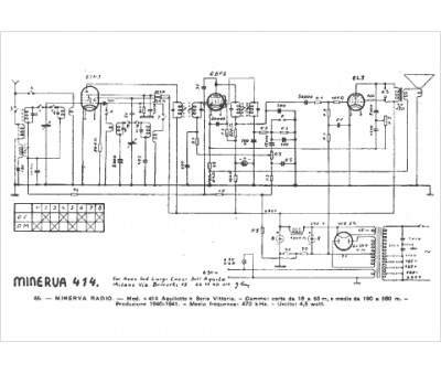
Modèle :
414 Aquilotto
Type appareil :
récepteur à tubes
Pays d'origine :
Autriche, Italie, Suisse, Allemagne
