
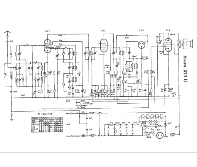
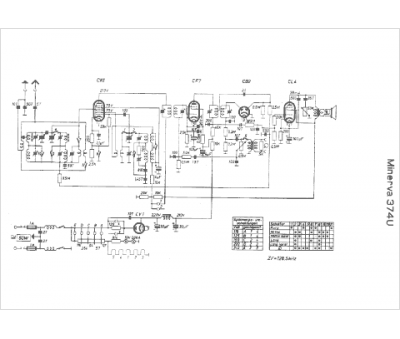
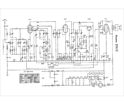
Marque :
Minerva
Modèle :
374 U
Type appareil :
récepteur à tubes
Année :
1936
Pays d'origine :
Autriche, Italie, Suisse, Allemagne
