
Marque :
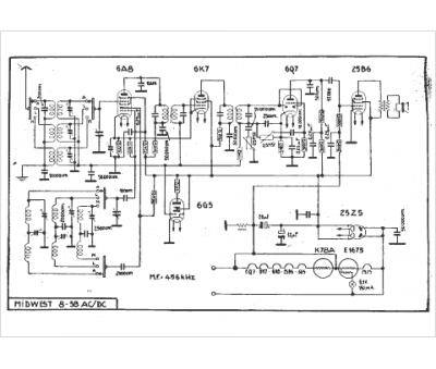
Midwest
Modèle :
8-38 ac-dc
Type appareil :
récepteur à tubes
Pays d'origine :
États-Unis
