
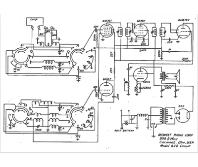
Marque :
Midwest
Modèle :
62B
Type appareil :
récepteur à tubes
Année :
1942
Pays d'origine :
États-Unis
