
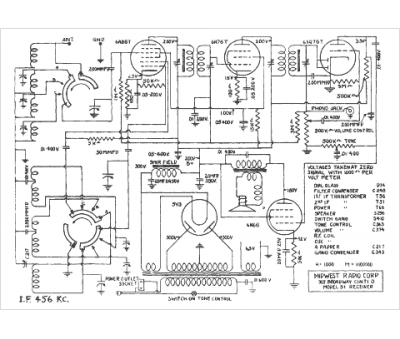
Marque :
Midwest
Modèle :
51
Type appareil :
récepteur à tubes
Année :
1941
Pays d'origine :
États-Unis
