
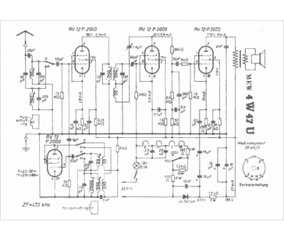
Marque :
Mew
Modèle :
4W47U
Type appareil :
récepteur à tubes
Pays d'origine :
Allemagne
