
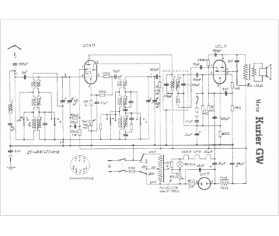
Marque :
Metz
Modèle :
Kurier GW
Type appareil :
récepteur à tubes
Pays d'origine :
Allemagne
