
Marque :
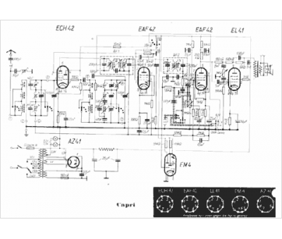
Metz
Modèle :
Capri
Type appareil :
récepteur à tubes
Pays d'origine :
Allemagne
