
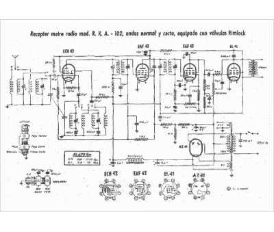
Marque :
Metro
Modèle :
RKA 102
Type appareil :
récepteur à tubes
Pays d'origine :
Espagne
