
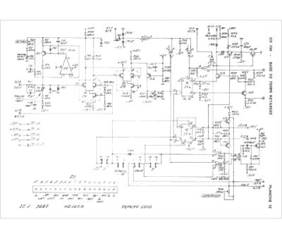
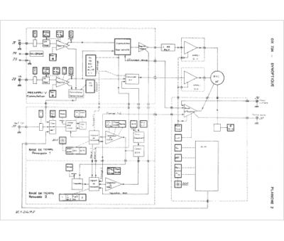
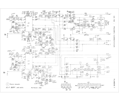
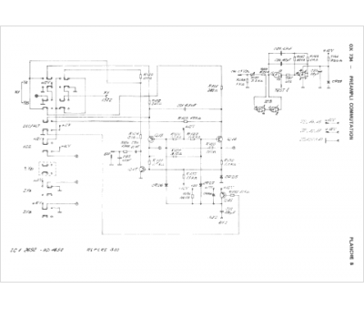
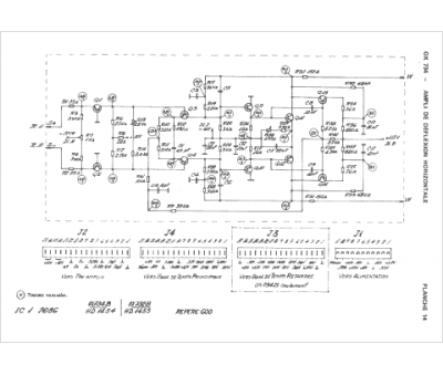
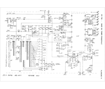
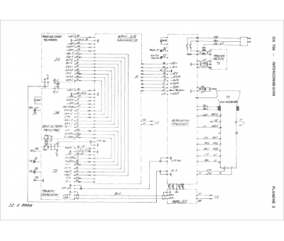
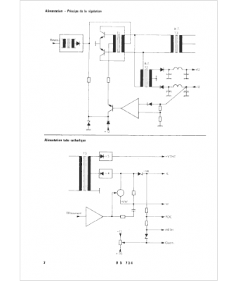
Marque :
Metrix
Modèle :
OX 734
Type appareil :
oscilloscope
Pays d'origine :
France
