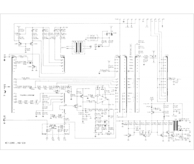
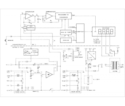
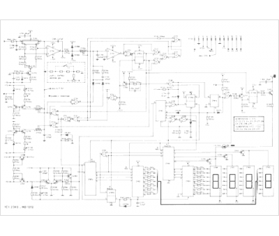
Marque :
															Metrix																																															
														Modèle :
																MX 737 A																																	
															Type appareil :
																appareil de mesure
															Pays d'origine :
																France
															