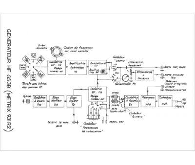
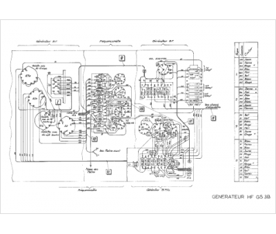
Marque :
Metrix
Modèle :
931 R2
Type appareil :
générateur
Pays d'origine :
France
