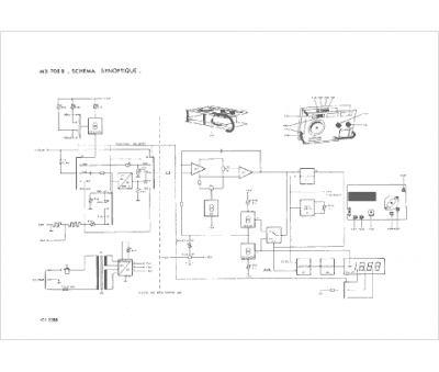
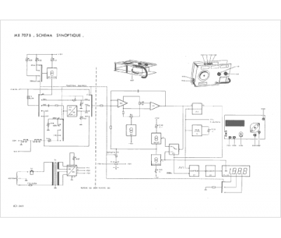
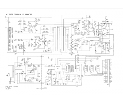
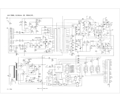
Marque :
Metrix
Modèle :
707-708
Type appareil :
appareil de mesure
Pays d'origine :
France
