
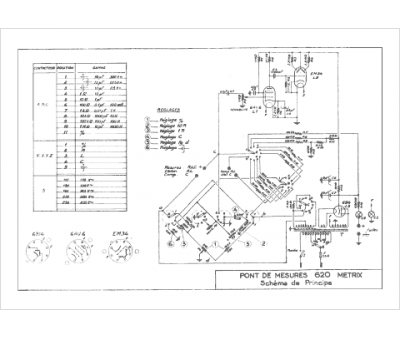
Marque :
Metrix
Modèle :
620
Type appareil :
appareil de mesure
Pays d'origine :
France
