
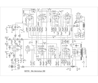
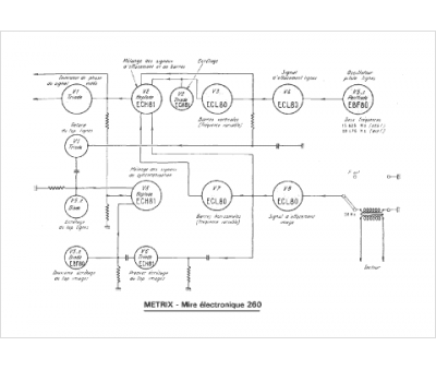
Marque :
Metrix
Modèle :
260
Type appareil :
Mire
Pays d'origine :
France
