
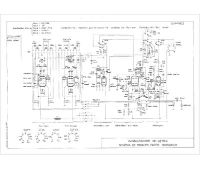
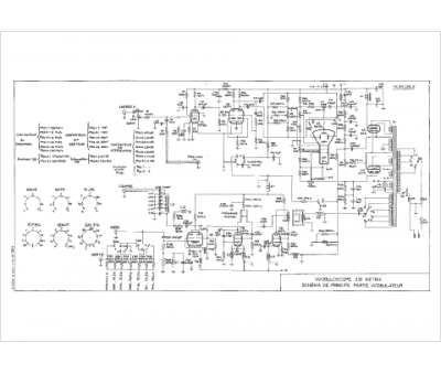
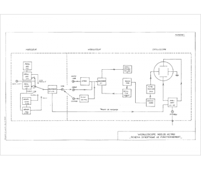
Marque :
Metrix
Modèle :
231
Type appareil :
Wobuloscope
Pays d'origine :
France
