
Marque :
Menzi
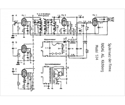
Modèle :
534
Type appareil :
récepteur à tubes
Pays d'origine :
Suisse
