
Marque :
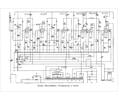
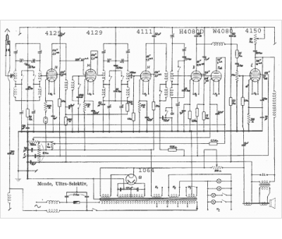
Mende
Modèle :
Ultra Selektiv
Type appareil :
récepteur à tubes
Pays d'origine :
Allemagne
