
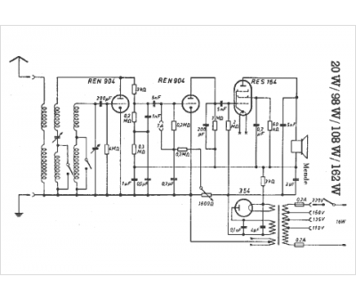
Marque :
Mende
Modèle :
98 W
Type appareil :
récepteur à tubes
Pays d'origine :
Allemagne
