
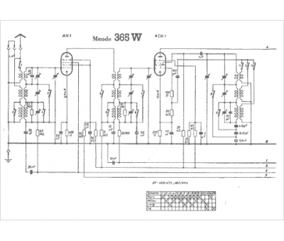
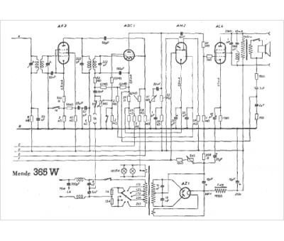
Marque :
Mende
Modèle :
365 W
Type appareil :
récepteur à tubes
Pays d'origine :
Allemagne
