
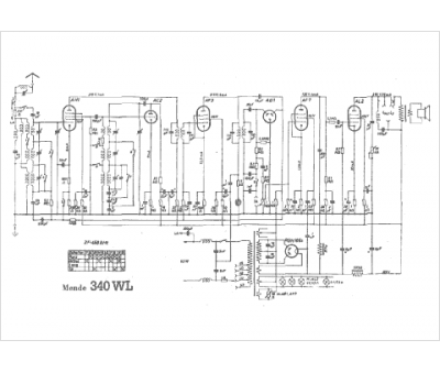
Marque :
Mende
Modèle :
340 WL
Type appareil :
récepteur à tubes
Pays d'origine :
Allemagne
