
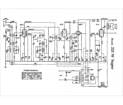
Marque :
Mende
Modèle :
225 W Super
Type appareil :
récepteur à tubes
Pays d'origine :
Allemagne
