
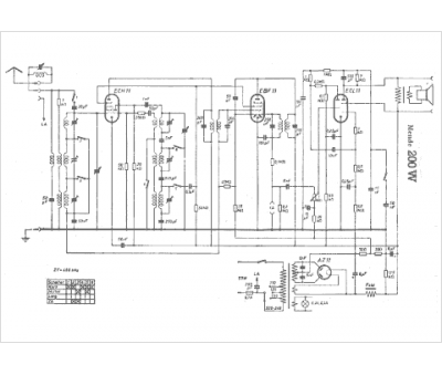
Marque :
Mende
Modèle :
200 W
Type appareil :
récepteur à tubes
Pays d'origine :
Allemagne
