
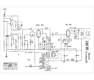
Marque :
Mende
Modèle :
156 w
Type appareil :
récepteur à tubes
Année :
1934
Pays d'origine :
Allemagne
