
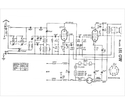
Marque :
Mende
Modèle :
151 gw
Type appareil :
récepteur à tubes
Pays d'origine :
Allemagne
