
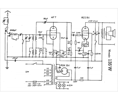
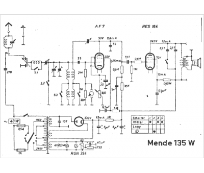
Marque :
Mende
Modèle :
135 w
Type appareil :
récepteur à tubes
Pays d'origine :
Allemagne
