
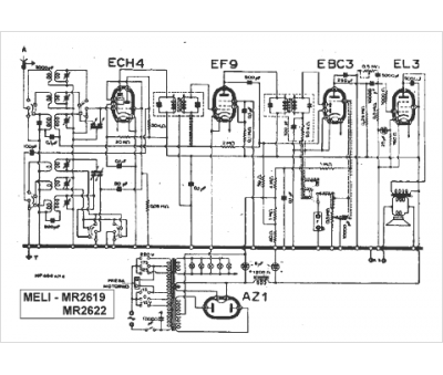
Marque :
Meli
Modèle :
MR 2619
Type appareil :
récepteur à tubes
Pays d'origine :
Italie
