
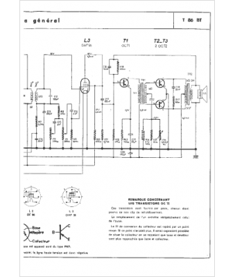
Marque :
Mediator
Modèle :
t_86_bt
Type appareil :
récepteur à tubes
Année :
1957
Pays d'origine :
Suisse
