
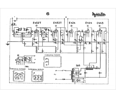
Marque :
Mediator
Modèle :
M 6
Type appareil :
récepteur à tubes
Pays d'origine :
Suisse
