
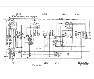
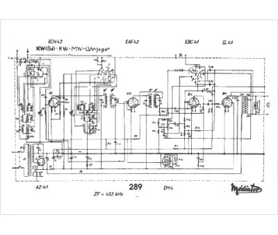
Marque :
Mediator
Modèle :
289
Type appareil :
récepteur
Pays d'origine :
Suisse
