
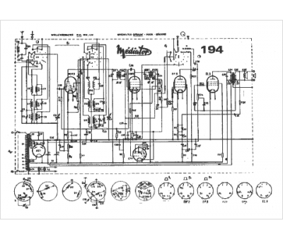
Marque :
Mediator
Modèle :
194
Type appareil :
récepteur
Pays d'origine :
Suisse
