
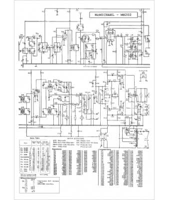
Marque :
McMichael
Modèle :
MS 202
Type appareil :
récepteur à tubes
Pays d'origine :
Grande-Bretagne
