
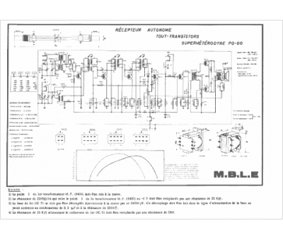
Marque :
MBLE
Modèle :
Transistor PO-GO
Type appareil :
récepteur à tubes
Pays d'origine :
Belgique
