
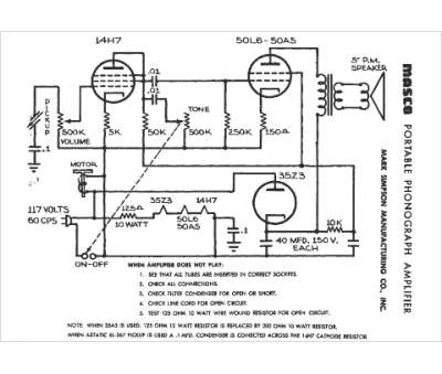
Marque :
Masco
Modèle :
Phonograph
Type appareil :
récepteur à tubes
Année :
1948
Pays d'origine :
États-Unis
