
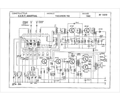
Marque :
Martial
Modèle :
Vacances 702
Type appareil :
Récepteur à transistors
Année :
1960
