
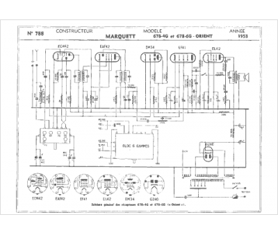
Marque :
Marquett
Modèle :
678-4 g
Type appareil :
récepteur à tubes
Année :
1953
Pays d'origine :
France
