
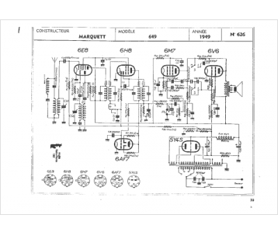
Marque :
Marquett
Modèle :
649
Type appareil :
récepteur à tubes
Année :
1949
Pays d'origine :
France
