
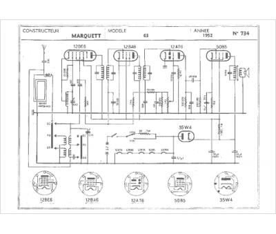
Marque :
Marquett
Modèle :
63
Type appareil :
récepteur à tubes
Année :
1952
Pays d'origine :
France
