
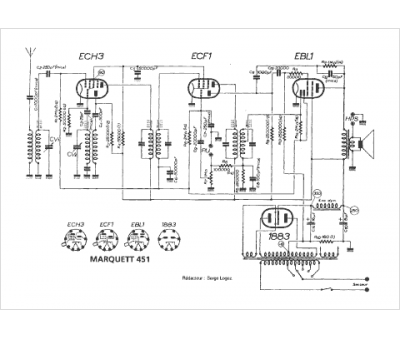
Marque :
Marquett
Modèle :
451
Type appareil :
récepteur à tubes
Année :
1949
Pays d'origine :
France
