
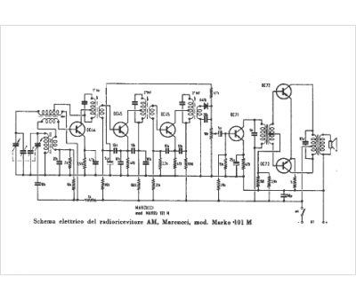
Marque :
Marcucci
Modèle :
Marko 101
Type appareil :
récepteur à tubes
Pays d'origine :
Italie
