
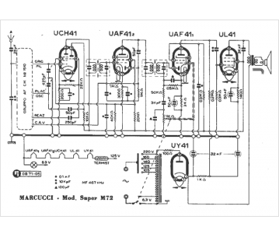
Marque :
Marcucci
Modèle :
M 72
Type appareil :
récepteur à tubes
Pays d'origine :
Italie
