
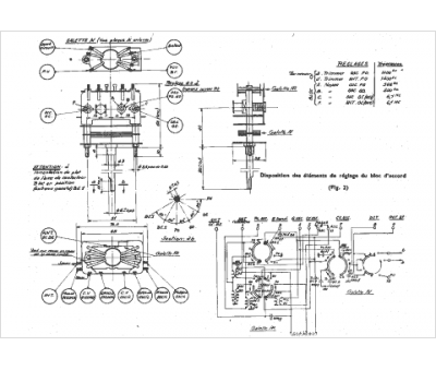
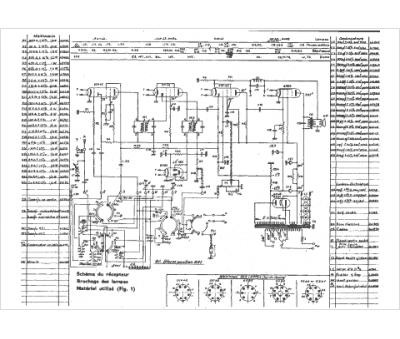
Marque :
Marconi
Modèle :
M63
Type appareil :
récepteur à tubes
Année :
1952
Pays d'origine :
France, Grande-Bretagne, Italie
