
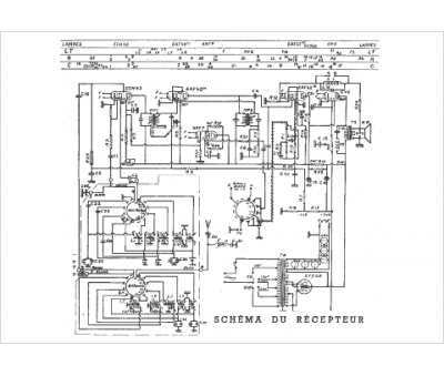
Marque :
Marconi
Modèle :
M60
Type appareil :
récepteur à tubes
Année :
1950
Pays d'origine :
France, Grande-Bretagne, Italie
